游客,您好
注册
登陆
退出
登录帮助
用户中心
搜索
康佳电视串号检测
备用网址
关于
加入收藏
家电
电脑
平板
游戏
数据
软件
电玩
东芝
L G
BOE
微鲸
夏普
风行
暴风
麦龙
联通
金正
鼎科
论坛
虹星
三星
厦华
熊猫
联想
同方
韩电
乐视
拓步
CNC
看尚
小米
PPTV
杂牌
中韩
现代
惠科
理想
山水
[
电视机
]
[
影碟机
]
[
音响功放
]
[
冰箱空调
]
[
汽车电路
]
[
家用电器
]
[
电器配件
]
[
刷机教程
]
家电
-
电视机
-
国外
-
松下
- 浏览家电
松下2185彩电疑难故障检修一例
发布日期:2013-3-22 9:17:59 作者: 出处: 浏览:
184
人次 【
大
中
小
】
松下2185彩电疑难故障检修一例
2001年,第13期,类别:彩电维修
一台松下2185彩电收看过程中突然光栅、伴音皆无,机内发出清脆的“唧唧”声,几秒钟后唧唧声消失;隔一段时间后再开机,电视机又可工作一分钟左右,后故障重现。
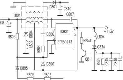
由于该机电路底板无固定托架,主板下垂严重,加之元件引脚上锡量少,故容易产生引脚裂纹和引脚脱焊。根据故障现象,首先怀疑线路接触不良,检查发现多处元件脚确有明显裂纹,但补焊后故障依旧。如附图所示,用数字表监测主电源113V电压,电视机正常工作时电压正常,故障出现时电压随唧唧声在50V左右闪动,同时发现唧唧声来自开关变压器T801。
有唧唧声,说明开关电源可工作;为判断故障范围,将行负载断开,在113V主电源上接上60W白炽灯泡做假负载,开机监测输出电压为108.7V,且很稳定。由于行输出电路未工作,开关电源因没有行逆程脉冲加入未与行频同步,而使输出电压比正常时略低,根据以往经验,判断开关电源正常,故障有可能出在行负载或保护电路上。该机保护电路较为完善,除电源保护电路以外,它还设置了以下几种保护:1.行逆程电压过压保护;2.行输出变压器短路保护;3.射束电流过流保护;4.场输出过流保护;5.场输出负载保护。
以上五种保护均通过R536对IC601(AN5601K){42}脚行振荡电源实行控制。由于故障出现时并未见图声异常,故怀疑保护电路误动作。试将R536断开,故障现象不变。由此怀疑行输出部分某个元件有软击穿现象,依次代换了行管、逆程电容、行输出变压器等一大批元件,故障均未能排除,检修一时陷入困境。
考虑到串联式开关稳压电源加入行逆程脉冲以后输出电压稍有上升,是不是113V电源电压升高后可控硅Q834(TFD312M)误保护?试将Q834取下,为保险起见,在113V电源上并接一只R2M保护二极管,开机瞬间,听到显像管高压帽处有放电声,开关变压器原来发出的间断唧唧声立即变成了连续的“啾啾”声,立即关机,这表明主电源输出电压过高。检查发现,行管已击穿,D805、R805、R806正常,试将D805断开,装上新的行管试机,电视机图声正常,仅开关变压器发出“吱吱”声(未与行频同步),检查IC801(STR50213)周边元件均无异常,判断IC801性能变差,换后已工作一年多,一切正常。
江西宜春 周立新
共有
1
条家电 页次:1/1
分页:
9
1
:
发布人:
-----
【
大
中
小
】·【
推荐好友
】·【
打印
】·【
顶部
】
相关家电
[
显象管型
]
·
松下2188。2185
2013-08-18
[
显象管型
]
·
松下29;开机30分钟后有伴音
2013-08-18
[
显象管型
]
·
松下TC-2966RS(MX-4)机芯缺红色
2013-08-18
[
显象管型
]
·
教松下TC/TC2566RS
2013-08-18
[
显象管型
]
·
松下中放AN5179中周
2013-08-18
相关评论
系统暂时关闭评论功能!
最新家电
长虹液晶电视数据查找...
GBJ25005 GBJ2501 GB...
U盘刷机的准备U盘和基...
AOZ1037的引脚功能
AOZ3015AI的引脚功能
刷你的数据灯都不亮了...
热门家电
AOZ3015AI的引脚功能
TCL超级芯片8859CSNG...
海信变频压缩机UVW三...
JT1199,CH341编程...
松下NN-K652电脑...
松下电饭煲显示U15
推荐家电
文章搜索
关键字:
网站声明
|
网站留言
|
友情链接
|
与我在线
Copyright ?
数据之家
All Rights Reserved.2002-2099
邮:2843417081@qq.com