游客,您好
注册 登陆 退出 登录帮助 用户中心 搜索 康佳电视串号检测 备用网址 关于 加入收藏
家电 电脑 平板 游戏 数据 软件 电玩 东芝 L G BOE 微鲸 夏普 风行 暴风 麦龙 联通 金正 鼎科 论坛
虹星 三星 厦华 熊猫 联想 同方 韩电 乐视 拓步 CNC 看尚 小米 PPTV 杂牌 中韩 现代 惠科 理想 山水
[电视机] [影碟机] [音响功放] [冰箱空调] [汽车电路] [家用电器] [电器配件] [刷机教程]                    
家电 - 电视机 - 其它 - 显象管型 - 浏览家电
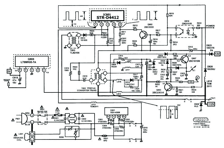
<>STR4412电路图
发布日期:2013-5-27 8:50:24 作者: 出处: 浏览:862 人次 【

<>STR4412电路图.
---------------------------------
找到了图纸.该机以修好.
---------------------------------
srtghsdrtghbxrgdhsdtrhsrthsrtghrtghrtgdhrtgh STRD4412.gif (330.19 KB) STRD4412.gif
---------------------------------
fthdsfghdrghfghrdthdrthdrtht STRD44121.jpg (733.37 KB) STRD44121.jpg 003.jpg (617.08 KB) 003.jpg
---------------------------------

---------------------------------

---------------------------------
trgfdfbsdfdfdgbxzfvsdzfgvsefvsefvef STRD44122.jpg (665.53 KB) STRD44122.jpg
共有1条家电 页次:1/1 分页: 9 1 :
发布人:----- 】·【推荐好友】·【打印】·【顶部
相关家电
[显象管型] ·jvc彩色视频监视器tm-h150cg电路图2013-08-18
[显象管型] ·高仕达CF25C70PCJ电路图2013-08-18
[显象管型] ·厦华ST-2970N的电路图2013-08-18
[显象管型] ·长虹彩电42寸等离子---电源电路图2013-08-18
[显象管型] ·HFC—328DX电路图2013-08-18
相关评论
   系统暂时关闭评论功能!
最新家电
 长虹液晶电视数据查找...
 GBJ25005 GBJ2501 GB...
 U盘刷机的准备U盘和基...
 AOZ1037的引脚功能
 AOZ3015AI的引脚功能
 刷你的数据灯都不亮了...
热门家电
 AOZ3015AI的引脚功能
 TCL超级芯片8859CSNG...
 海信变频压缩机UVW三...
 JT1199,CH341编程...
 松下NN-K652电脑...
 松下电饭煲显示U15
推荐家电
文章搜索
关键字:
网站声明 | 网站留言 | 友情链接 | 与我在线
Copyright ? 数据之家 All Rights Reserved.2002-2099
邮:2843417081@qq.com