游客,您好
注册
登陆
退出
登录帮助
用户中心
搜索
康佳电视串号检测
备用网址
关于
加入收藏
家电
电脑
平板
游戏
数据
软件
电玩
东芝
L G
BOE
微鲸
夏普
风行
暴风
麦龙
联通
金正
鼎科
论坛
虹星
三星
厦华
熊猫
联想
同方
韩电
乐视
拓步
CNC
看尚
小米
PPTV
杂牌
中韩
现代
惠科
理想
山水
[
电视机
]
[
影碟机
]
[
音响功放
]
[
冰箱空调
]
[
汽车电路
]
[
家用电器
]
[
电器配件
]
[
刷机教程
]
家电
-
电视机
-
其它
-
显象管型
- 浏览家电
彩色电视机遥控系统的扩容
发布日期:2013-5-24 6:54:12 作者: 出处: 浏览:
111
人次 【
大
中
小
】
彩色电视机遥控系统的扩容
随着有线电视技术的发展,目前各地可供收视的电视频道越来越多,这样许多前几年购
买的遥控彩电除了因高频头原因不能接收有线电视的增补频道外,其遥控系统的容量也已明
显落伍(前几年生产的遥控彩电存台数量一般在30 个左右),由于这部分彩电的购买时间不
是太长,而且多数性能还相当好 (如前几年十分流行的长虹C2588、康佳KK—T2510、松下
TC-2188 等),如果因为遥控系统存台数量过少的原因而淘汰,的确十分可惜,对此情况可
参照本文介绍的扩容方法,对这些彩电的遥控系统进行扩容,使这些“老”彩电焕发青春或
延长寿命。
彩电遥控系统在扩容之前,一般应先加装全频增补高频头,使彩电的频率接收范围能够
覆盖有线电视的全部标准和增补频道.
彩电遥控系统的扩容从目前的技术来看,不外乎有四种方法,即通过挖掘遥控系统的潜
力来扩容、通过更换存储器的方法扩容、通过增加存储器的方法扩容和通过更换CPU 的方法
来扩容,其中第一种方法最经济(几乎不增加成本),扩容效果也有限,适用于一些即将淘汰
的彩电;最后一种方法扩容效果最好,当然成本也最高,适用于一些较新型的彩电或CPU
损坏的彩电,具体采用何种方法可根据具体情况做出选择。
l 一.通过挖掘遥控系统的潜力扩容
前几年生产的彩电由于当时电视频道较少,许多机型的遥控系统并未发挥出最大的容
量,其中最典型的是21 英寸彩电中大量采用的东芝CTS—130A 遥控系统,在许多机型中这
一最大存台数量为32 个的遥控系统被设定成了16 个,如牡丹 54C10 彩电,对于这种情况,
由于遥控系统有潜力可挖,只要知道一些具体的设定方法,即可将遥控系统的潜力挖出,达
到扩容的目的。
可以通过挖掘潜力达到扩容目的的遥控系统主要有:
1. 飞利浦CTV222S 或CTV320S 等遥控系统,前者所配的CPU 为CTV222.PRCl 或
CTV222S.PRC1、PCA84CA40、 PCA84C444、PCA84C841,后者所配的CPU 为PCA84C640
或 PCA84C341,所配的存储器为PCF8582 或24C02A(若配 PCF8581 或24C01A,则需
更换存储器,见第二部分),这种遥控系统的最大存台数量是90 频道,若被设定成
了40 频道,可作如下修改:、 分别断开存储器第①、③脚间和第②、⑧脚间的跳
线,改接在第①、⑧脚间、第②、③脚间,此时遥控系统就被升级为 90 频道,原
配的遥控器仍能正常使用。
升级实例:黄河HC3409 型21 英寸遥控彩电,其CPU 为 PCA84C440P,存储器为
PCF8582E-2,存台数量为40 个,由于该机存储器附近印刷线路板上无升级跳线(许多机型留
有升级用的跳线),只能是先将存储器拆下,掰起其第①、②两脚,然后①接⑧、②接③,
再将存储器焊回线路板即可。
2. 东芝CTS—142 遥控系统,所配CPU 为 TMP47C430N,存储器为TC89101P,此系统的
最大存台数量为55 个,若被设定成了16 个或32 个,可作如下修改:
将CPU 第⑦脚与外围电路断开后,通过一只1K 电阻直接接至+5V(CPU 第28 脚),
这样即可升级为55 频道(该遥控系统CPU 第⑦脚的电位决定了存台数量,当该脚电
位为1V 以下时,存16 个台;当为2—3V 时存32 个台,当为4V 以上时存55 个台),
原遥控器仍可正常使用。
3. 夏普IX0933CE 遥控系统,所配CPU 为IX0933CE,存储器为IX0715CE 或M58655P(若为 IX0738CE 或M58659P 则需更换存储器,见第二部分),该遥控系统的最大存台数
量是39 个台,若被设定为19 个台,可作如下修改:
在CPU 第35 脚和第37 脚间接入一只1N4148 或其它型号的普通二极管,多数
夏普彩电线路板上均留有此二极管位置和符号,其编号是D1003,此时彩电遥控系
统被扩容为39 频道,扩容后的彩电原遥控器仍能使用,但19 以上的频道只能通过
频道升降键来选台,如觉着不方便,可对遥控器进行修改,原遥控器上已设计有
20+和30+两个按键,只不过在面板上未开口,只要对准位置开上两个小口即可,
当然应给两个键粘上两个帽。
4. ITT 的SAAl293 遥控系统,CPU 为SAAl293,存储器为MDA2061,其最大存台数量39
个,若被设定为29 个,可作如下修改:
使用专用维修遥控器(上面有维修键,若用普通遥控器,需人工触发一下此键,
因为此键无导电橡胶),开机后按住此键至屏幕菜单出现,然后选择菜单中的“单
一选择标志项”,再选子菜单中的“1.3 项”,将0 改为l 即可。
5. 东芝CTS—130A 遥控系统,CPU 为TMP47C433AN,存储器为TC89101P,这一遥控系
统的最大存台数量为32 个,但在许多机型中被设定为16 个,对此可作如下修改:
在CPU 第15 脚与第26 脚间接人一只1N4148 或其它型号的普通二级管,正极
接第15 脚,此时即可存32 个台,升级后的遥控器仍能正常使用,屏幕显示经实际
试验也完全正常,只不过其第1、2、3 三个数字键具有了复合功能,当按这三个数
字键中的一个时,屏显字符将闪烁2 秒钟,在此时间内若按第二个数字键,三个数
字键将起十位键的作用;另外,有些遥控器上有11 以上的按键,这些按键将失去
功能。
升级实例:龙江C53G—2 型21 英寸遥控彩电,遥控系统为东芝CTS—130A,存台数量
为16 个,按照以上方法,经观察该机在线路板上已留有升级用的二极管位置,按照所标方
向直接焊上一只1N4148 即可。
6. 三菱M50431—X X XSP 遥控系统,CPU 为M50431—XXXSP(如M50431—101SP),存储
器为M58655P,最大存台数量为30 个,若被设定为8、12 或16 个,可作如下修改:
拆除CPU 第39、40 两脚与第16 脚间的二极管(有些机型没有),将其中一只改接
在CPU 第16 脚和第38 脚之间,正极接第38 脚,升级后遥控器部分按键功能有改
变,但不影响使用。
7. SGS 的M494 遥控系统,CPU 为M494,无外接存储器,最大存台数量为20 个,若被
设定为16 个,可作如下修改:在CPU 第②、⑥脚间、第⑤、⑥脚间分别接上一只
1N4148 或其它型号的普通二极管,其正极接CPU 第⑥脚,升级后的遥控器部分按
键功能有改变,但不影响使用。
8. SGS 的M491 遥控系统,CPU 为M491,无外接存储器,最大存台数量是16 个,若被
设定为8 个,可作如下修改:将CPU 第31 脚断开外围电路后直接接至VDD 即可。
升级实例:熊猫3605 彩电,采用M491 遥控系统,原设计只能存8 个台,按此方法将
M491 的第31 脚直接接至第9 脚 (VDD),即可升级为16 频道,升级后的遥控器仍能使用,
但数码显示管不能显示两位数的频道号码。
l 二.通过更换存储器的方法扩容
这种方法的原理是通过更换容量更大的存储器,来增加频道存储的数量,这种方法的前
提是CPU 具有相应的升级能力,否则即使更换了存储器,也达不到扩容的目的,如常见的松
下 TC—2188 彩电,即使将其存储器24C01A 换成容量更大的 24C02A,由于其CPU(MN15151TWE)
不具备相应的升级能力,所以仍然只能存30 个台。
目前可通过更换存储器来扩容的遥控系统有:
1. 飞利浦CTV222S 或CTV320S 等遥控系统,如果所配的存储器为PCF8581 或24C01A,
只要将其换为容量更大的 PCF8582 或2402A(直接代换),并按第一部分第1 项中所
介绍的方法修改外围的设定,即可将40 频道的遥控系统升级为 90 频道。
2. 夏普IX0933CE 遥控系统,如果所配的存储器为IX0738CE 或M58659P,只要将其换
为容量更大的IX0715CE 或 M58655P(或不需-30V 记忆电压的 CM58655P 等,这些集
成电路都通用),并按第一部分第3 项中所介绍的方法进行设定修改,即可将遥控
系统由19 个台升级为39 个台。
升级实例:夏普C—5422 型21 英寸遥控彩电,CPU 为IX0933CE,存储器为 M58659P,
可存19 个台,将存储器换为 M58655P,并按第一部分第3 项所介绍的方法在线路板上加上
D1003 二极管,彩电升级为39 频道。
l 三.通过增加存储器的方法扩容
大多数彩电遥控系统都有一块用来记忆频道及各种模拟量数据的存储器 (三洋的一些
遥控系统和SGS 的遥控系统例外),如果能给这些遥控系统增加一块完全一样的存储器,理
论上说就可将存台数量增加一倍,但增加的存储器并不是简单地与原机存储器并联,而是应
该.用一个开关(或开关电路)来进行切换,使两块存储器实现“接力”工作,这样就能将频
道存储数量增大一倍(或使用更多的存储器来增大几倍),这种方法虽然看上去不够正规,但
却是一种很实用的方法,而且可在许多遥控系统中使用。
使用以上方法扩容的前提是遥控系统有单独的存储器,并且CPU 与存储器之间可在某些
时刻断开联系,并允许进行存储器的带电切换(总不能先关机再换台),实践证明,在大多数
遥控系统中带电切换存储器,并不会影响CPU 的正常工作或造成电路损坏,因为CPU 与存储
器之间是数字信号连接,不是负载关系,它们之间的通讯只是发生在存取模拟量的瞬间,其
它时间两者可以断开联系,这就为这种扩容方法的实现打下了基础。
用切换两块(或更多)存储器的方法来扩容,并不意味着要切换存储器所有的引脚,因为
存储器尽管是—块不大的集成电路,但引脚最少的如TC9101P 也有8 只脚,而M58655P 则有
14 只脚,若用开关同时切换这么多的脚既无必要,又十分麻烦,实际上决定一块存储器是
否有效的关键脚往往只是片选端(即CS 端),一般来说,只有片选端被选中(多数是低电平时
选中),该存储器才有效,如果未被选中,即使将其它脚与被选中的存储器完全并联,该存
储器也不会干扰或参与被选中存储器的工作,根据这一原理,实际升级时只要用开关 (或开
关电路)切换存储器的片选端即
可。
有些遥控系统的存储器没有
片选端, 如24C01A( 或 24C02A
等),经笔者多次试验,证明这类
机型可通过同时切换其时钟端(即
CLOCK 端)和数据端(即DATA 端)来
实现扩容。
对于遥控彩电来说,虽然可使
用普通的机械开关(如2x 2 的钮子
开关或2x2 的拨动开关)来实现存
储器的切换,但这样切换总是不够
方便,因此一般应使用一个开关电
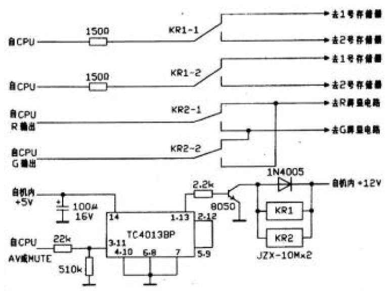
路来完成这种切换,图1 就是一个
这样的电路,不难看出,这个电路利用一只TC4013BP(或CD4013、HEF4013、MC14013 等同
类电路)双D 触发器中的任一个触发器,构成了一个简单的双稳态电路,利用遥控系统中CPU
的某个引脚的电平变化,来触发此双稳态电路,这个CPU 的引脚一般是AV 控制端或静音控
制端(前提是该CPU 有单独的此类控制端),彩电每进入一次AV 状态或静音状态,触发器翻
转一次(再返回TV 状态或解除静音状态时不翻转),并驱动继电器KR1 和 KR2 转换一次,KR1
的转换结果是将另一块存储器接通,此时彩电工作于另外一套存储系统中。
用这种方法来扩容的彩电,由于并未从CPU 的内核实现扩容,尽管存台数量增大了一倍,
但频道屏显不会发生任何变化,这样容易给使用者带来误会,有时无法搞清当前的彩电是处
于那一套存储系统中,为此笔者设计了一种方法,即在切换存储器的同时,用另一只继电器
KR2 同步切换(或称交换) CPU 的G、R 屏显输出端(如M50436—560SP 的第46 脚和第 47 脚),
这样两套存储系统就会出现不同颜色的屏显(如一套频道号码是绿色;另一套是红色),这样
就能方便地搞清当前彩电所处的存储系统。
图1 电路中在CPU 与存储器之间新加了两只150Ω的电阻,其作用是为了防止带电切换
存储器过程中,由于存储器与 CPU 之间的电位差别,可能会出现的瞬间冲击,保护CPU 及
存储器的安全,由于其阻值不是很大,实践证明不会影响 CPU 与存储器之间的数据通讯。
图中的两只继电器应选用双触点的微型继电器,如JZX— 10M,其工作电压之所以未选
5V(或3V)而选12V,是因为大多数彩电内的+5V 电源都是CPU 等电路的工作电源,其负载能
力十分有限,一旦接上两只继电器,轻则干扰CPU 等电路的工作,严重时将造成+5V 电压下
跌,CPU 等电路不能工作,而相对于+5V 电源而言,大多数彩电内都有负载能力相对较强的
+12V 电源,只要所选用的继电器耗电不是很大,一般不会影响整机的工作,当然如果这两
只继电器选用的是 4099 等普通型继电器,由于其耗电相对较大,应注意是否会造成彩电机
内+12V 电源过载,同时为了防止对机内其它电路造成干扰,该电源应直接取自+12V 电源的
滤波电容或调整管。能用这种方法扩容的存储器型号及需切换的引脚如下:
1. M58659P(或IX0738CE)、M58655P(或IX0715CE)、 CM58655P、M58C655,需切换存
储器第④脚(片选端),但在某些机型中,可能需要切换第②脚(-30V 记忆电压),或
对机内-30V 电源进行修改,因为许多机型的-30V 记忆电压负载能力不足,若将两
块存储器直接并联,会造成该电压下跌,严重时造成存储器失去记忆,所有模拟量
全部失控等。但如果存储器是最后两种型号,则不需切换第②脚,因为这两种型号
是前面型号的改进产品,它们直接使用+5V 的VDD 电压作为记忆读写电压,已不再
需要-30V 电源,所以也就没有必要再进行切换。
升级实例:牡丹51C5A 型20 英寸遥控彩电,其CPU 为M50436—560SP,存储器为M58655P,
按照图l 电路进行了升级,其控制端使用 CPU 的第15 脚(AV2),但装机后发现不能切换,
经观察这类机型机后无AV 接口 (这种机型很多!),遥控器上的AV 按键当然也不起作用,开
头以为是遥控器的AV 键无导电橡胶,但找来带AV 按键的同型号遥控器仍不能使彩电进入
AV 状态,经分析电路发现这类机型已封闭了M50436—560SP 的AV 功能,其解除方法是(见
图2):在 N901(M50436—560SP)的第18 脚(E2)与第22 脚(H2)间接入一只1N4148,正极接
第18 脚,再在N901 第13、15 两脚与+5V 间各接入一只22K 上拉电阻,此时CPU 的AV 功能
恢复,用原遥控器也可进入AV 状态,扩容板转换正常,彩电被升级为60 频道。
2. TC89101P,这种存储器被大量用于各种东芝遥控系统中,长虹彩电中也大量使用了
这种存储器,这种存储器扩容时需切换第①脚和第②脚。
升级实例:武汉开达产选台器,机内CPU 及存储器型号已被擦去,根据经验判断为东芝
CTS—130A 遥控系统,CPU 为TMP47C433AN,存储器为TC89101P,可存储32 个台,采用图1
电路升级,用CPU 的第⑨脚控制扩容板的转换,装机后一次成功升级为64 频道。
在用本方法扩容一些采用东芝CTS—130A 遥控系统的长虹彩电时(如长虹C2143、C2165、
C2168、C2169 等),要注意这些机型未设计手动调谐功能,只有自动调谐功能,这种设计应
该说是—种不合理的设计,因为在当今电视频道越来越多的情况下,使用自动调谐容易出现
许多的重台或空台,而且无法对台的顺序进行选择,一旦机内AFC、PIF 中周日久后参数发
生变化,还会造成完全不能存台,对于这部分长虹彩电,在扩容升级时应增加三个控制键,
即“微调(FT)+”、“微调 (FT)-”、“存储”,必要时也可增加“波段”按键,这样做的目的一
方面是为了弥补这部分长虹彩电功能上的缺陷;另一方面也是为了升级后能往第2 套存储系
统中存台,因为如果使用自动调谐功能,由于调谐过程是由低到高逐渐扫描,无法进行人工
干预,所以无法向第2 套存储系统中存入新台,会造成两套存储系统完全重台,升级失去意
义。
新加的三个按键可对照图3 电路,使用普通的塑柄微动开关,将其固定于机壳右后部 (并
不是很常用),调谐时先给第一套存储系统用自动或手动方式调满台,然后按AV 键(两次)
转入第2 套存储系统,再用手动方式将剩余的台调出即可(注意使用手动方式调谐时,每调
好一个台都要按一下“存储”)。
3. CXKl011P,仅需切换片选端(并联着的第①、⑥脚),可将存台数量由28 个升级为
56 个。
4. CXKl004L,需切换第③脚片选端。
5. M58653SP,需切换第⑥脚片选端或第②脚的-30V 记忆电源。
6. CX7959 或CXKl001P,需切换第⑩脚片选端或第②脚的-25V 记忆电源。
7. TMM843AP,需切换第⑤脚片选端或第12 脚的+33V 记忆电源。
8. 24C01A、24C02A、24C03A 或24C04A,需切换第⑤脚数据端和第⑥端时钟端。
升级实例:松下TC—2588S 型25 英寸彩电,采用C150机芯,遥控系统CPU为MN15151TWE,
存储器为24C01A,可存30 个台,按图重电路进行升级,用CPU(IC1102)的第 12 脚(AV 控制
端)控制切换,装机后一次成功升级为60 频道。
9. MN1228,需切换第12 脚的片选端或第9 脚的-28V 记忆电源。
除以上存储器外,其它型号的存储器只要电路结构与这类存储器相仿,原则上也可使用本
方法来扩容,附表是笔者实际试用过的存储器的电阻测试值,供大家在选购存储器扩容时参
考。
使用本种方法扩容后的所有彩电使用时都有一个特殊的现象:当使用AV(或MUTE)等键
换了存储系统后,如果不换台,您会发现当前节目仍为原先存储系统的节目,这并不意味着
彩电有故障或扩容不成功,而是因为只有在换台时,CPU 才从新的存储器中读取数据,因此
只要换一下台即可,当然也可另装一个简单电路,使每次更换存储器时,同步触发一下频道
升降键,不过一般没有必要这样做。
在此还需提醒大家注意一点,如果大家采用了机械开关来切换存储器,对于热底板的彩
电,一定要注意不要使开关的金属部分外露,并应注意开关的耐压(许多小拨动开关簧片与
外壳间的耐压不是很高),以免造成触电危险。
l 四.通过更换CPU 的方法采扩容
通过更换CPU 的方法扩容是新近兴起的一种方法,这种方法是利用与原机引脚及功能相
同(或接近)的CPU(或模块)来代换原机CPU,从而达到扩容的目的。
目前国内一些厂家已生产出了一些升级用的模块,如智通、三森的G50436、G5103 等型
号,这种升级模块实际是一套缩小后的飞利浦CTV222S 中文遥控系统,其频道存储数量是
90 个,将这个小遥控系统制成模块,并模拟成各种CPU 的形状(当然其引脚的连接方式、外
围电路的工作原理和原 CPU 也应相同),即可直接取代原CPU,实现扩容的目的,扩容后的
彩电由于遥控系统的控制码已不同于原机,所以原机的遥控器已没有用处(购模块时配套了
一只采用SAA3010 芯片的飞利浦彩电遥控器),另外操作方法也不同于原机。
目前可通过更换CPU 升级的遥控系统主要有:
1. 三菱M50436-560SP 遥控系统,通过更换G50436 模块,即可将其升级为90 频道,
其升级方法为: 首先拆下原机的CPU(M50436—560SP),如果需要也可拆去存储器
(M58655P),因为G50436 内已经自带了24C02 (PCF8582)存储器,M58655P 已经没
有什么用处了,当然不拆也无影响。
然后将G50436 焊在原CPU 的位置(注意引脚方向不要焊错),主板CPU 外围需作以下改
动:断开原CPU 第⑧脚的外围元件,因为模块第⑧脚已改成对比度控制端,其功能已不同于
原CPU,如果需要加上对比度遥控功能,可利用该脚,但多数采用M50436—560SP 的彩电均
无对比度遥控功能(因为M50436—560SP 的模拟量控制端只有三路,一般对比度只能使用手
控),所以也可不加,对比度仍使用手控;另外主板上原CPU 第17、30 两脚外围的两只二极
管应短接,这样做的目的是使原机面板上的“SKIP”键变为“清除”键,以清除调谐过程中
产生的一些空台或重台。
升级后的彩电原面板按键中的频道升降键、音量升降键、自动搜索键仍然有效。
共有
1
条家电 页次:1/1
分页:
9
1
:
发布人:
-----
【
大
中
小
】·【
推荐好友
】·【
打印
】·【
顶部
】
相关家电
[
显象管型
]
·
M34300N4-721SP扩容
2013-08-18
[
显象管型
]
·
一台松下29V30R彩电扩容?
2013-08-18
[
显象管型
]
·
老索尼彩电如何扩容?(大概是94年的产品)
2013-06-16
[
显象管型
]
·
彩色电视机遥控系统的扩容
2013-05-24
[
日立
]
·
日立2177扩容问题
2013-04-02
相关评论
系统暂时关闭评论功能!
最新家电
长虹液晶电视数据查找...
GBJ25005 GBJ2501 GB...
U盘刷机的准备U盘和基...
AOZ1037的引脚功能
AOZ3015AI的引脚功能
刷你的数据灯都不亮了...
热门家电
AOZ3015AI的引脚功能
TCL超级芯片8859CSNG...
海信变频压缩机UVW三...
JT1199,CH341编程...
松下NN-K652电脑...
松下电饭煲显示U15
推荐家电
文章搜索
关键字:
网站声明
|
网站留言
|
友情链接
|
与我在线
Copyright ?
数据之家
All Rights Reserved.2002-2099
邮:2843417081@qq.com