游客,您好
注册
登陆
退出
登录帮助
用户中心
搜索
康佳电视串号检测
备用网址
关于
加入收藏
家电
电脑
平板
游戏
数据
软件
电玩
东芝
L G
BOE
微鲸
夏普
风行
暴风
麦龙
联通
金正
鼎科
论坛
虹星
三星
厦华
熊猫
联想
同方
韩电
乐视
拓步
CNC
看尚
小米
PPTV
杂牌
中韩
现代
惠科
理想
山水
[
电视机
]
[
影碟机
]
[
音响功放
]
[
冰箱空调
]
[
汽车电路
]
[
家用电器
]
[
电器配件
]
[
刷机教程
]
家电
-
电视机
-
其它
-
显象管型
- 浏览家电
厦华S293电视机检修一例
发布日期:2013-7-18 15:27:15 作者: 出处: 浏览:
135
人次 【
大
中
小
】
厦华S293电视机检修一例
接修一台厦华S293电视机,故障现象表现为行场幅度缩小,同时开机大约几分钟就自动关机
据用户说,前2个月前,有一个修理工到他家维修过该电视机,只用了2天时间,故障再次出现。
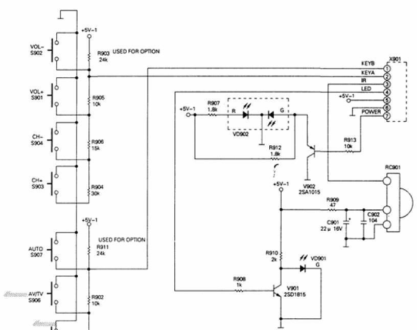
打开机壳,可以看到的是电视机前面板电路板断裂,遥控接收电路板部分断裂,已经不知道去向,目测电路板可以看到行逆程电路的电容C305已经换过(具体是和原电容并联一支2N2的电容,电路板背面加焊一支1N6的电容。
从故障现象看,故障点有可能就在此处了,原因分析也挺简单了,行逆程电容容量变小后,造成行逆程电压再升高,场供电电压也会升高,表现的故障就是行场幅度同时缩小,自动关机是因为行反峰电压高,造成电路过压保护。
检查原来的修理工换过的电容,测量发现电容容量仅仅1N6 ,分别测量两只电容,原来的C305/5N6失容,并联的那只2N2的电容容量也下降于是更换一支6N2 的电容,试机,行场幅度均恢复正常。相关电路见下图:
故障成因其实挺简单的,原修理工没有按照原始参数进行代换,造成故障的重现,当然也给我的检修造成了便利。
接下来就是恢复用户的遥控器的使用 从电路接线图可以知道,到面板的7芯*座检查5端为5V供电,6端接地线,3脚是红外线输入端子。外接一支三端红外线接收头,分别连接好有关线路,遥控器也恢复正常使用。这个电路见图:
顺便提及一下,该机遥控器使用RC-K54,从内部的电路板可以看到每一个键的作用,分别标记为E文的功能说明,进入工厂模式,按6旁边的那个键,接着按3-6-9即可进入维修模式,退出时有一个I2C OFF按钮,同时值得说明的是该机有关的调试项目为中文的,挺方便的
共有
1
条家电 页次:1/1
分页:
9
1
:
发布人:
-----
【
大
中
小
】·【
推荐好友
】·【
打印
】·【
顶部
】
相关家电
[
显象管型
]
·
厦华S293电视机检修一例
2013-07-18
相关评论
系统暂时关闭评论功能!
最新家电
长虹液晶电视数据查找...
GBJ25005 GBJ2501 GB...
U盘刷机的准备U盘和基...
AOZ1037的引脚功能
AOZ3015AI的引脚功能
刷你的数据灯都不亮了...
热门家电
AOZ3015AI的引脚功能
TCL超级芯片8859CSNG...
海信变频压缩机UVW三...
JT1199,CH341编程...
松下NN-K652电脑...
松下电饭煲显示U15
推荐家电
文章搜索
关键字:
网站声明
|
网站留言
|
友情链接
|
与我在线
Copyright ?
数据之家
All Rights Reserved.2002-2099
邮:2843417081@qq.com