游客,您好
注册
登陆
退出
登录帮助
用户中心
搜索
康佳电视串号检测
备用网址
关于
加入收藏
家电
电脑
平板
游戏
数据
软件
电玩
东芝
L G
BOE
微鲸
夏普
风行
暴风
麦龙
联通
金正
鼎科
论坛
虹星
三星
厦华
熊猫
联想
同方
韩电
乐视
拓步
CNC
看尚
小米
PPTV
杂牌
中韩
现代
惠科
理想
山水
[
电视机
]
[
影碟机
]
[
音响功放
]
[
冰箱空调
]
[
汽车电路
]
[
家用电器
]
[
电器配件
]
[
刷机教程
]
家电
-
电视机
-
其它
-
平板型
- 浏览家电
LIHUA液晶小彩电背光灯电路维修
发布日期:2013-2-25 15:55:17 作者: 出处: 浏览:
236
人次 【
大
中
小
】
LIHUA液晶小彩电背光灯电路维修
2003年,第10期,类别:彩电维修
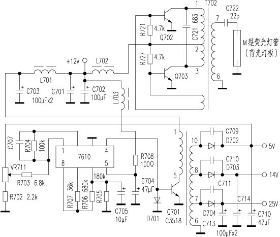
笔者接修一台LIHUA 4英寸液晶小彩电,故障现象为无光栅,但伴音正常。拆机后接通电源,发现紧贴液晶屏的背光灯板不发光,测背光灯板引出脚两端无电压,估计故障在其供电电路。笔者根据实物绘出高压脉冲产生电路及电源电路原理图,以便维修及同行借鉴参考,见附图。
电路中高压脉冲产生电路由高压变压器T702、开关管Q702、Q703及R721、R722、C721、C722构成,+12V电源经L702接T702{2}脚,经T702{1}-{2}绕组接Q702 c极,经{2}-{3}绕组接Q703 c极,R721、R722为启动电阻,T702{4}-{5}为反馈绕组。因该机故障为背光灯不亮,故先用万用表电压挡测T702{2}脚电压。测得该脚电压接近0V,且L702发热严重,显然存在严重短路。测L702接12V端电压已降为10V,将Q702、Q703两只贴片三极管焊下,测其各极间电阻值均已接近于0Ω,说明已击穿短路。Q702、Q703型号均为2SC3518K,查其参数为60V/5A/1W,因无同型号管,考虑到该高压脉冲产生电路与日光灯电子镇流器相似,遂从电子镇流器电路板上将两只开关管MJE13003(400V/1.4A/1W)拆下,直接代换Q702、Q703,试机背光灯板点亮发光,图像随即出现,但换上的MJE13003烫手。关断电源,测C722、R721、R22、C221均无损坏,最后将L702焊下,发现其漆包线表面部分绝缘漆已由黄色变为紫铜色,将漆包线拆开,发现多处漆皮脱落,匝间短路。笔者用千分尺测其线径为0.25mm,找一段∮0.25mm漆包线按原电感线圈拉直后的长度标准,重新在原磁心上绕一电感,焊入电路试机,Q702、Q703长时间工作已不再过热,图像及伴音均正常,使用至今已三月余,未见异常。
共有
1
条家电 页次:1/1
分页:
9
1
:
发布人:
-----
【
大
中
小
】·【
推荐好友
】·【
打印
】·【
顶部
】
相关家电
[
平板型
]
·
LIHUA液晶小彩电背光灯电路维修
2013-02-25
相关评论
系统暂时关闭评论功能!
最新家电
长虹液晶电视数据查找...
GBJ25005 GBJ2501 GB...
U盘刷机的准备U盘和基...
AOZ1037的引脚功能
AOZ3015AI的引脚功能
刷你的数据灯都不亮了...
热门家电
AOZ3015AI的引脚功能
TCL超级芯片8859CSNG...
海信变频压缩机UVW三...
JT1199,CH341编程...
松下NN-K652电脑...
松下电饭煲显示U15
推荐家电
文章搜索
关键字:
网站声明
|
网站留言
|
友情链接
|
与我在线
Copyright ?
数据之家
All Rights Reserved.2002-2099
邮:2843417081@qq.com