游客,您好
注册 登陆 退出 登录帮助 用户中心 搜索 康佳电视串号检测 备用网址 关于 加入收藏
家电 电脑 平板 游戏 数据 软件 电玩 东芝 L G BOE 微鲸 夏普 风行 暴风 麦龙 联通 金正 鼎科 论坛
虹星 三星 厦华 熊猫 联想 同方 韩电 乐视 拓步 CNC 看尚 小米 PPTV 杂牌 中韩 现代 惠科 理想 山水
[电视机] [影碟机] [音响功放] [冰箱空调] [汽车电路] [家用电器] [电器配件] [刷机教程]                    
家电 - 电视机 - TCL - 显象管型 - 浏览家电
TCL-3498GH彩电中频调试方法
发布日期:2013-3-7 13:15:52 作者: 出处: 浏览:122 人次 【

TCL-3498GH彩电中频电路分析及调试方法
2000年,第22期,类别:专题

  众所周知,世界各国共采用三种彩色制式(PAL、NTSC、SECAM)和十三种黑白制式(主要的有六种:D/K、B/G、I、L、M、N),前者是由色度解码处理电路完成的,后者才是中频处理电路需要予以关注的。上述六种制式中,D/K、B/G、I、L的第二伴音中频各为65/60/55MHz,中频频带宽度皆为8MHz(B为7MHz);M、N第二伴音中频为45MHz,中频带宽为6MHz。以上各制式的图像调制均为调幅制,除L是正极性调制式外,其它均为负极性调制。伴音调制除L为调幅(AM)制外,其它均为调频(FM)制。
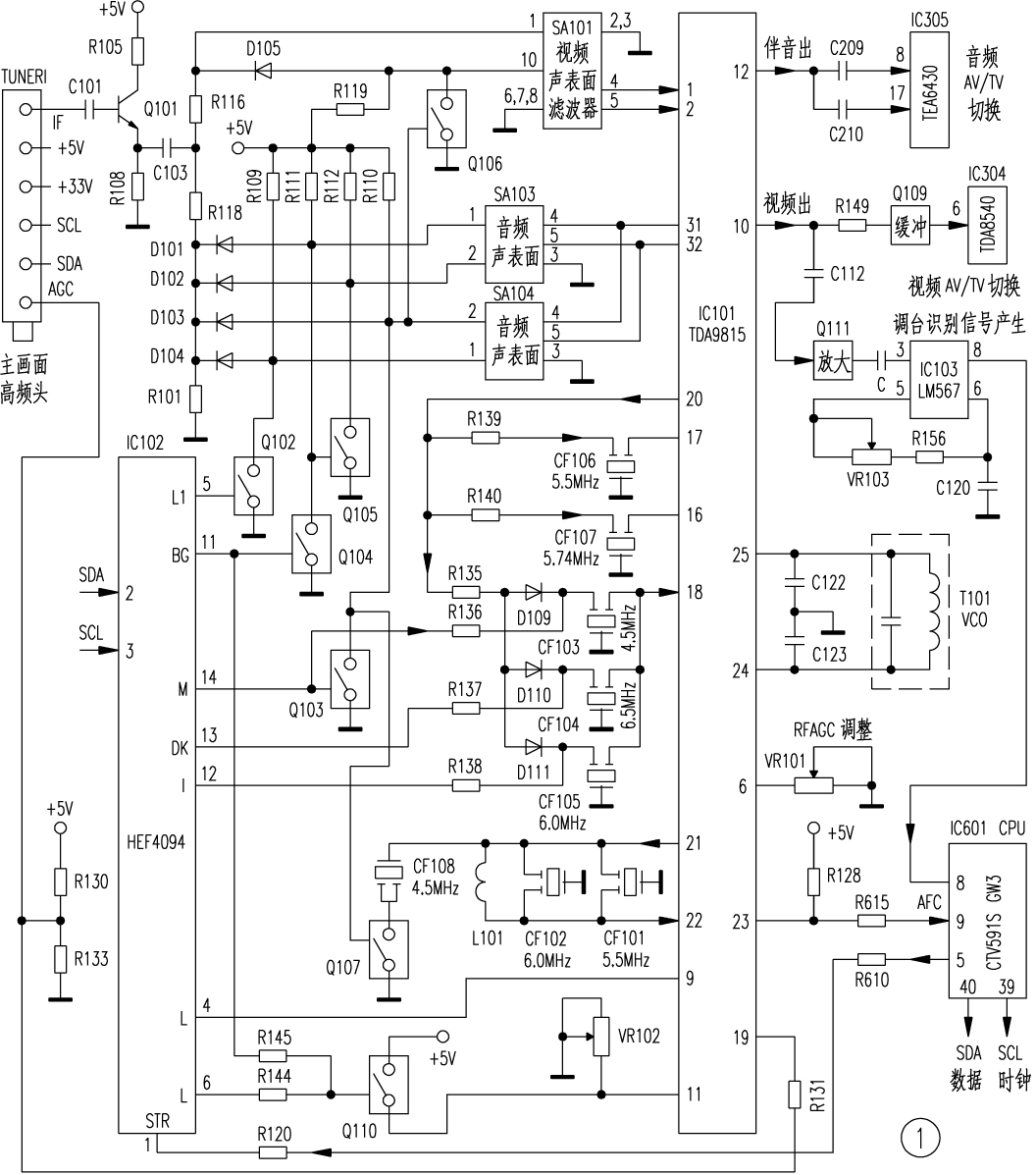
  本机的中频信号处理电路比较独特(见图1)。普通的中频处理电路因只使用1只声表面滤波器,为适应不同制式的中频信号必须设置多点吸收回路,用以形成所需的中频特性曲线,其弊端是调试不当或因元件故障,会使图像细节的分辨率与伴音的信噪比下降。
  为克服上述缺点,本机共设置了三只幅频特性可变的声表面波滤波器(视中频1只,伴音中频2只)。SA101是视频处理声表面滤波器,图像中频定为389MHz;SA103、SA104是音频处理声表面滤波器,伴音中频分别为324MHz、334MHz和345MHz。中频信号处理电路共设置了三只集成块,其中IC101(TDA9815)是图像及伴音中频处理;IC102(HEF4094)是8级移位—存储总线寄存器,作为开关矩阵的控制器使用;IC103(LM567)作为特定频率滤波(吸收)器,当通带内出现某一特定频率信号时,可将该频率信号短接至地。本机将这一特定频率设置为15625Hz行频附近,当无广播信号时输出高电平,调谐到电视信号时输出为零电平,供给CPU作为调台识别信号。
  本机的信号制式采用了固定配合的八种组合方式,它们是PAL-B/G、D/K、I;SECAM-B/G、D/K、L;NTSC-M、B/G。下面主要讨论PAL-D/K和NTSC-M制式下的信号流程。
  一、图像中频信号处理
  PAL-D/K制式:由天线接收的电视信号,从有源分配器分两路输出,一路送TUNER2画中画高频头,另一路送TUNER1主画面高频头,经高频头变频后获得的中频信号再经Q101预中放,到达开关矩阵网络。当输入的信号为PAL-D/K制信号时(此时的制式在调谐菜单上预先设定),CPU(IC601)通过I2C总线和5脚(寄存器数据传送控制端)给IC1021脚发出指令,使其{14}脚输出高电平,让Q103导通,同时令Q106截止,使D105通过+5V、R119、R118、R101,提供正向偏置而导通。图像中频信号从C101→Q101be→R116→D105→SA1011、10→SA1014、5→IC1011、2。视中频声表面滤波器SA1011、10脚由于D105的导通而并联构成宽频带状态,以适合PAL制中频幅频特性需要,保证图像清晰度。
  NTSC-M制式:当输入的信号为NTSC-M制式时,CPU指令IC102{14}脚输出低电平,Q103截止,使Q106导通,D105截止,图像中频信号只能从SA101第1脚输入,通频带相应变窄,适应NTSC-M制需要。
  经SA101选通处理后的图像中频信号,耦合至IC1011、2脚,在集成电路中经放大、视频检波成为视频复合信号由{21}脚输出,经CF101、CF102、CF108滤除其中相应的第二伴音信号后由{22}脚输入。CF108的通断受Q107控制,当信号为NTSC制时,IC102{14}为低电平,Q103导通,使Q107导通,CF108陷波器投入工作,滤除45MHz伴音信号。由{22}脚输入的视频信号在集成块内进行预视放后,由{10}脚输出(预视放的目的是补偿经陷波器后的信号衰减),一路经Q109射随器送到IC304(TDA8540、AV/TV转换)6脚;另一路通过Q111放大后送至识别同步检波器IC1033脚,其内部压控振荡器外接5、6脚的RC时间常数(VR103、R156、C120)被设定在行频附近,由此产生的振荡信号与3脚输入的行同步信号在内部的I、Q检波器中进行比较,产生调台识别信号(无台8脚输出高电平,有台8脚电位为零),去CPU8脚,作为提供给CPU的调台识别电压信号。
  和一般的中频解调器一样,IC101在解调中同时输出两个控制信号:一个是AFC电压。AFC电压由IC101{23}脚输出到CPU9脚,CPU利用此电压通过I2C总线对高频头微调,进行自动频率控制,并发出锁台信号;另一个是RF AGC电压(高频头AGC信号)),由IC101{19}脚输出,经电阻R131后输入主画面调谐器(TUNER1)的AGC脚,进行自动增益控制。调整IC1016脚的VR101电位器可改变{19}脚输出的RF AGC电压大小。
  二、伴音中频信号处理
  PAL-D/K(SECAM-D/K)制式:CPU(IC601)通过I2C总线指令IC1025、{11}、{12}、{14}脚输出高电平,{13}脚输出低电平,Q102、Q103、Q104同时导通,D104、D103、D101反偏截止,SA1031、SA1041、2被封锁。Q104导通使Q105截止,D102通过+5V、R112、R101得到正向偏置而导通,伴音中频信号只能进入SA1032脚,其信号流程从C101→Q101be→C103→R118→D102→SA1032→SA1034、5→IC101{31}、{32}。可变幅频特性的SA1032适合PAL-D/K制的324MHz信号。(未完待续)


  (续第22期第九版)
  NTSC-M制式:CPU指令IC102{14}脚输出低电平,Q103截止,D103导通。IC102的其它各脚均输出高电平,封锁D101、D104,而SA1032脚不能通过344MHz的信号。344MHz的伴音中频信号从C101→Q101be→C103→R118→D103→SA1042→SA1044、5→IC101{31}、{32}。
  PAL-BG(SECAM-BG、NTSC-BG)制式:当CPU指示为BG制时,IC102{11}脚为低电平,Q104、D101导通,334MHz伴音中频信号只能进入SA1031脚,同时Q110导通,IC101{11}脚电位升高为5V左右,使伴音鉴相器工作于BG制。
  伴音中频信号经开关矩阵和SA103、SA104选通处理后耦合至IC101{31}、{32}脚。在集成电路中经放大后进入伴音分离解调器,将图像中频信号与伴音中频信号进行差拍,产生第二伴音中频信号从IC101{20}脚输出。IC101设有{16}、{17}、{18}三个伴音中频输入接口,并设有两路伴音中频检波及放大器,{16}脚外设CF107 (574MHz)滤波器与{17}脚外设的CF106(55MHz)滤波器可解出德国立体声。其它制式的第二伴音中频信号均通过CF103~CF105进入IC101{18}脚。当CPU指令为PAL-D/K制时,IC102{12}、{14}脚输出高电平,D111、D109截止,封锁CF105(60MHz)、CF103(45MHz),IC102{13}脚输出低电平,使D110导通,65MHz的第二伴音中频信号→IC101{20}→R135→D110→CF104(65MHz)→IC101{18};而当CPU指令为NTSC-M制时,IC102{12}、{13}脚输出高电平,D111、D110截止,IC102{14}脚输出低电平,使D109导通,45MHz第二伴音信号→IC101{20}→R135→D109→CF103→IC101{18}。伴音中频信号从{18}脚进入IC101后,经解调放大后的音频信号,由IC101{12}脚输出至音频AV/TV转换集成电路IC3058、{17}脚。
  三、开关矩阵的工作情况(表1)
  图像中频(视中频)方面:从表1可见,视中频信号只受IC102{14}脚控制,SA101只在NTSC-M制时为窄带输入,其它均为宽带输入。
  伴音中频方面:由IC102{11}、{12}、{13}、{14}协同工作,处于低电平输出的脚控制相应的二、三极管完成制式转换。
  IC1024、6脚只在SECAM-L制时处于低电平,如前所述,L制信号较特殊,当它们置于低电平时,控制IC1019、{11}脚内部的开关电路将解调单元转换为L制。
  四、维修调整举例
  由于该机是I2C总线控制的机型,当出现偏色或需要对行、场线性、幅度、失真进行校正时,不需打开机壳,只需用改装遥控器调出密码菜单进行调整。有些维修人员由于不了解“工作方式”的功能,任意改动后,没有调回(表2)工厂设定数值(其它项目调整请见1999年《电子报》合订本附录336页),结果造成部分功能丧失。下面举两个实例。


  1不能接收“L”频段的电视节目。
  据用户反映,经维修后出现不能接收VHF的低频段的节目,其它频段正常。该机如果出现某一频段不能工作,在决定更换高频头之前,务必注意I2C总线的调整菜单是否正确。该机的调整菜单密码中有四种工作方式可供调整,见表2所示。
  表2中“工作方式1”即为接收范围设置,工厂标准代码为“01000111”八位,末位就是“L”频段设置,“1”为开,“0”为关。检查、调整I2C总线,必须调出调整菜单,其方法是:打开遥控器,在其集成块4~5脚间加10kΩ电阻,然后按数字键“0”调出调整菜单,此时屏幕上出现表3内容。要调出“工作方式”0、1、3,只需要按“表2”上的对应按键。而要调出“工作方式1”时,由于遥控器上无“STEREO/MONO”键,必须先调出“工作方式2”或“工作方式3”再按“频道降”键(P-),进入“工作方式1”。正常的工作方式1显示如表4。而在此例故障中发现屏幕显示代码已变为“01000110”,其末位为“0”,代表L频段被关闭。估计是维修人员改动后未恢复所致。按音量(+)调整为标准值,再按“TV”键退出调整菜单,重新开机检查低频段工作正常。

  2无“NTSC”制式。
  据用户反映,该机是“全制式”机,不知何故不能接收“NTSC”制式电视信号。
  出现这种情况与上例相似。该机的八种制式是由“工作方式2”决定的,它们的排列顺序如表5所示,出厂时I2C总线的标准设置应为“01011111”共八位。情况如表5:

  出现此例故障时调出该项目看到设置为“00011111”,起始的一、二、三项皆为“0”,对照表5发现已消除“NTSC-BG、M”二项及SECAM-L,按音量(+)重新校正为标准设置,当然也可将八位均设为“1”。退出调整,重新搜台,一切恢复正常。如果第七位为零,则将消除“PAL-D/K”制,其结果会让中国各频道都收不到彩色。
  顺便提一下“工作方式0”标准设置为“11111011”,为多种功能设置,其中包括:重低音箱、梳状滤波器、卡拉OK、立体声扩展等功能的开、关。
  最后,请维修人员务必注意维修后恢复标准设置,随意改变代码数值将导致失去部分功能,形成混乱,而且依*修理换件
共有1条家电 页次:1/1 分页: 9 1 :
发布人:----- 】·【推荐好友】·【打印】·【顶部
相关家电
[显象管型] ·TCL-3498GH彩电中频调试方法 2013-03-07
相关评论
   系统暂时关闭评论功能!
最新家电
 长虹液晶电视数据查找...
 GBJ25005 GBJ2501 GB...
 U盘刷机的准备U盘和基...
 AOZ1037的引脚功能
 AOZ3015AI的引脚功能
 刷你的数据灯都不亮了...
热门家电
 AOZ3015AI的引脚功能
 TCL超级芯片8859CSNG...
 海信变频压缩机UVW三...
 JT1199,CH341编程...
 松下NN-K652电脑...
 松下电饭煲显示U15
推荐家电
文章搜索
关键字:
网站声明 | 网站留言 | 友情链接 | 与我在线
Copyright ? 数据之家 All Rights Reserved.2002-2099
邮:2843417081@qq.com