游客,您好
注册 登陆 退出 登录帮助 用户中心 搜索 康佳电视串号检测 备用网址 关于 加入收藏
家电 电脑 平板 游戏 数据 软件 电玩 东芝 L G BOE 微鲸 夏普 风行 暴风 麦龙 联通 金正 鼎科 论坛
虹星 三星 厦华 熊猫 联想 同方 韩电 乐视 拓步 CNC 看尚 小米 PPTV 杂牌 中韩 现代 惠科 理想 山水
[电视机] [影碟机] [音响功放] [冰箱空调] [汽车电路] [家用电器] [电器配件] [刷机教程]                    
家电 - 电视机 - 创维 - 显象管型 - 浏览家电
创维5D60机心彩电开关电源原理与维修思路
发布日期:2013-3-13 16:43:13 作者: 出处: 浏览:93 人次 【

创维5D60机心彩电开关电源原理与维修思路
2003年,第5期,类别:专题维修

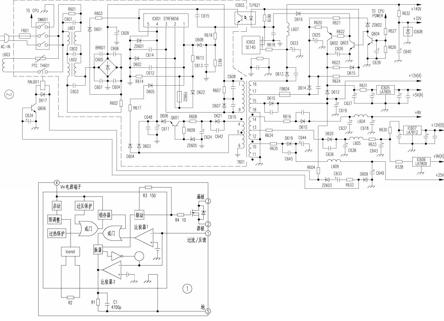
创维5D60机心彩电是上市不久的较高档次新机型,其电源部分采用了日本三肯公司开发的内藏功率MOSFET管(金属氧化场效应管)的开关电源厚膜集成电路STR-F6656,减少了开关电源的元件数量,简化电路设计,实现电源的小型化。本文简要分析该开关电源的工作原理及维修思路。
一、开关电源工作原理
  1.STR-F6656内部框图及引脚功能
  这种厚膜电路的内部框图见图1,包含有过压保护、过热保护、过流检测与保护、保护信号锁存、振荡与充放电阻容元件、驱动电路以及MOSFET功率管等。共有5只引脚,其中{1}脚是过流及稳压控制信号输入端,{2}、{3}脚分别是MOSFET管的源极和漏极,{4}脚是工作电源输入端子,该输入电压同时用于过压检测,{5}脚是接地端。该厚膜电路的起始工作电压典型值为16V。
  2.启动与振荡电路
  参见图2,当电视机接通电源后,220V交流电经整流桥BR601整流、C609滤波,得到约300V的直流脉动电压,通过开关变压器T601{1}-{9}绕组加到IC601{3}脚漏极。交流电还经D601整流、R603降压对C611充电,使IC601{4}脚电压达到16V(典型值)后,内部的启动电路开始工作,振荡器起振,振荡信号经驱动电路送到场效应管的控制栅极,开关电源进入工作状态。电路起振后,IC601{4}脚另有如下两路供电电源,一是T601{5}脚经D603整流所得的电压,二是T601{4}脚经D621整流并稳压获得的电压,这两路电源可保证IC601在正常收看和待机状态均能可*稳定的工作。
  在IC601内部场效应管导通时,内部电容C1被充电到约6.5V,另一方面场效应管逐渐增大的漏源电流经过R614时形成的电压会同步抬高{1}脚的电位,当其达到{1}脚内部比较器1的门槛电压0.73V时,比较器1翻转,关断场效应管,此时C1的充电条件被解除,C1开始经R1放电,当C1上的电压下降到3.7V以下时,场效应管再次导通,C1又快速充电到6.5V,如此循环反复,振荡得以继续下去。
  在IC601{3}脚漏极与地之间接有电容C614,{1}脚与T601{5}脚间接有D604、R617、D605、C612等元件组成的延时电路,它们可使场效应管导通时功耗最小。
  3.稳压过程
  稳压控制是通过调整光耦IC603的反馈电流来实现的。当输出电压升高时,取样放大电路IC602{2}脚电位变低,光耦内二极管及三极管电流增大,其中三极管部分增大的电流在R613和R614上形成的电压,使IC601{1}脚电位更早地达到门槛电压0.73V,场效应管较早关断,导通时间减小,T601线圈的储能减少,所以降低了输出电压;输出电压较低时,则延长场效应管的导通时间,达到提升电压的目的。
  4.过流保护电路
  过流保护,是通过检测每个振荡周期场效应管的漏极电流峰值进行控制的。当出现过流时,场效应管源极端子与地之间的R614上压降增大,该电压经R613反馈到{1}脚,当数值达到0.73V时,场效应管截止,起到保护作用。R613和C612,是用来防止场效应管的导通噪声引起误动作而设置的滤波器。
  5.过热、过压保护和锁定电路
  当IC601中的温度检测元件检测到基板温度超过140℃,或{4}脚电压超过22.5V时,内部锁定电路延时8μs后动作,振荡器停振,起到过热或过压保护作用。为了防止锁定电路受*扰而误动作,厚膜块内部设有定时器,只有当过热或电路动作持续8μs以上时,锁定电路才开始工作,使电源电路停止工作。异常情况消失后,重新开机可解除锁定状态。
  6.待机控制电路
  CPU待机控制脚为高电平时,电视机处于正常使用状态。这时三极管Q604导通,Q603和Q602均截止,开关电源输出正常收看所需的各路电压。当CPU待机控制脚为低电平时,电视机进入待机状态,这时Q604截止,Q603导通,光耦IC603中的发光二极管经D616和Q603 c、e极到地形成通路,电流增大,由上述稳压原理可知,该电流增大将使场效应管导通时间减小,这样T601{1}-{9}绕组上的储能减少,次级感应的电压相应较低。另外,Q603导通后,Q602也随即导通,这样开关电源输出电压与正常开机时相比要低得多,以上两种控制机理共同作用实现了待机控制。
  7.消磁电路
  创维5D60机心彩电的消磁电路仅在开机后的短时间内工作,之后就将消磁线圈与电源完全断开,可防止消磁回路的寄生振荡产生*扰,同时也能减小功耗。开机瞬间,D611整流输出的+12V电压一路经R604和继电器RAL601到达Q606 c极,另一路经ZD603给C633充电,再经R633对C634充电,送到Q606 b极,当C634充电到一定数值时Q606导通,继电器吸合,消磁电路通电工作。当C634上的电压因经Q606的发射结放电而不足以维持Q606导通时,继电器和消磁电路先后断电,停止工作。由于电路设计使得C634的充电电压比Q606的发射结导通电压高出不多,且有ZD603和D609的作用,因此,C634放电后,能稳定一定电压不会再次形成充电过程,继电器也不会重新吸合。
  二、检修思路
  当开关电源没有电压输出时,首先要检查市电经整流滤波后的300V电压是否已送达IC601{3}脚,接着检查{4}的16V启动电压,都正常时则应检查保护电路是否动作。当R614变值增大时,过流保护会误动作,应更换。测量{4}脚电压若达到22.5V,则说明过压保护,这时应检查市电输入电压是否过高,稳压管ZD605是否开路,三极管Q601 c、e极是否击穿短路,也可断开D603、D606试验判断。IC601内场效应管的电流通路应通畅,若R614开路则电源不能工作。
  如果开关电源输出电压过高,查取样放大电路IC602、光耦IC603和IC601的反馈稳压回路元件是否异常,IC602和IC603是否性能变劣,可更换试之。开关电源输出电压较低时,则应重点检查IC601、IC602和R614等元件。

共有1条家电 页次:1/1 分页: 9 1 :
发布人:----- 】·【推荐好友】·【打印】·【顶部
相关家电
[显象管型] ·创维5D60机心彩电开关电源原理与维修思路 2013-03-13
[显象管型] ·创维5D60机心彩电开关电源原理与维修思路(STRF...2013-03-09
相关评论
   系统暂时关闭评论功能!
最新家电
 长虹液晶电视数据查找...
 GBJ25005 GBJ2501 GB...
 U盘刷机的准备U盘和基...
 AOZ1037的引脚功能
 AOZ3015AI的引脚功能
 刷你的数据灯都不亮了...
热门家电
 AOZ3015AI的引脚功能
 TCL超级芯片8859CSNG...
 海信变频压缩机UVW三...
 JT1199,CH341编程...
 松下NN-K652电脑...
 松下电饭煲显示U15
推荐家电
文章搜索
关键字:
网站声明 | 网站留言 | 友情链接 | 与我在线
Copyright ? 数据之家 All Rights Reserved.2002-2099
邮:2843417081@qq.com