游客,您好
注册 登陆 退出 登录帮助 用户中心 搜索 康佳电视串号检测 备用网址 关于 加入收藏
家电 电脑 平板 游戏 数据 软件 电玩 东芝 L G BOE 微鲸 夏普 风行 暴风 麦龙 联通 金正 鼎科 论坛
虹星 三星 厦华 熊猫 联想 同方 韩电 乐视 拓步 CNC 看尚 小米 PPTV 杂牌 中韩 现代 惠科 理想 山水
[电视机] [影碟机] [音响功放] [冰箱空调] [汽车电路] [家用电器] [电器配件] [刷机教程]                    
家电 - 电视机 - 创维 - 显象管型 - 浏览家电
创维2928MK彩电三无故障检修
发布日期:2013-3-13 16:52:41 作者: 出处: 浏览:143 人次 【

创维2928MK彩电三无故障检修
2003年,第8期,类别:彩电维修

[例1]开机呈三无,机内有似石英钟的“嗒嗒”声。
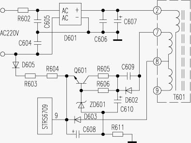
  仔细观察,开关电源部分STRS6709厚膜块及其相关阻容元件未见异常,开机测C607两端300V电压正常,而C626两端主电压为20V,且跳动。关机切断行电源并接上60W灯泡作假负载,开机灯泡微红并闪烁,说明故障在开关电源部分。测STRS6709{9}脚电压为6V且随“嗒嗒”声跳动。分析{9}脚电源供电由三条支路提供:(1)开机时交流市电经D605、R603、R604为STRS6709提供启动电源,促使STRS6709内部振荡器工作;(2)启动后刚开始时T601{7}-{9}绕组电势经D602、C610整流、滤波,再由Q601、ZD601、R606等稳压成+7V供电;(3)正常工作后由D603、C608整流滤波得到+8.5V电压供电(见附图)。检测这三条支路元件,发现7.5V稳压二极管ZD601反向击穿,换一同规格的稳压二极管后故障排除。
 [例2]开机正常工作数分钟后呈三无,机内发出“嗒嗒”声。
  据例1的检修经验,直接拆下ZD601检测,正常;据故障现象分析,开关电源电路中某元件热稳定性不良。于是逐一检查电源部分各元件,发现稳压调整管Q601奇烫。拆下该管发现已被前维修者换成C2335。换上原规格的D1246,并加装一小散热片试机,故障排除。


共有1条家电 页次:1/1 分页: 9 1 :
发布人:----- 】·【推荐好友】·【打印】·【顶部
相关家电
[显象管型] ·创维2928MK彩电三无故障检修 2013-03-13
相关评论
   系统暂时关闭评论功能!
最新家电
 长虹液晶电视数据查找...
 GBJ25005 GBJ2501 GB...
 U盘刷机的准备U盘和基...
 AOZ1037的引脚功能
 AOZ3015AI的引脚功能
 刷你的数据灯都不亮了...
热门家电
 AOZ3015AI的引脚功能
 TCL超级芯片8859CSNG...
 海信变频压缩机UVW三...
 JT1199,CH341编程...
 松下NN-K652电脑...
 松下电饭煲显示U15
推荐家电
文章搜索
关键字:
网站声明 | 网站留言 | 友情链接 | 与我在线
Copyright ? 数据之家 All Rights Reserved.2002-2099
邮:2843417081@qq.com